catena a denti affilati per l’utilizzo in ambienti umidi e polverosi

La catena a denti affilati è un tipo di catena di trasmissione, la cui struttura è caratterizzata da una serie di piastre della catena a denti e di piastre di guida assemblate alternativamente, e attraverso il perno o una combinazione di elementi articolati collegati per formare, il passo adiacente è incernierato giunti.

Descrizione

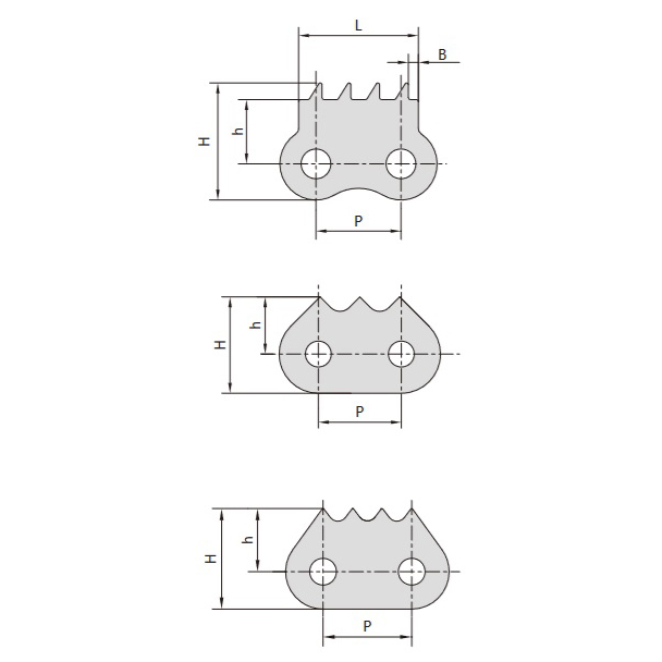
La catena a cuspide, classificata per tipo di guida, comprende la catena dentata a guida esterna, la catena dentata a guida interna e la catena dentata a doppia guida interna. Questa trasmissione a catena utilizza l’ingranamento preciso dei denti della catena e della ruota dentata per trasmettere potenza e movimento, garantendo un rapporto di trasmissione medio accurato.

Vantaggi

  • Elevata potenza di trasmissione e forte capacità di sovraccarico
  • Dimensioni compatte della trasmissione a parità di condizioni di lavoro
  • Richiede una minore forza di tensione
  • Funziona in modo affidabile in ambienti difficili, quali temperatura elevata, umidità, polvere e inquinamento.

Svantaggi

  • Costo più elevato rispetto ad altri tipi di catena
  • Suscettibile all’usura e all’allungamento
  • Scarsa scorrevolezza della trasmissione, con carico dinamico aggiuntivo, vibrazioni, urti e rumore durante il funzionamento
  • Non sono adatte per applicazioni di trasmissione a inversione rapida

In sintesi, le catene a cuspide sono ideali per le applicazioni che richiedono una trasmissione di potenza elevata in ambienti difficili, ma potrebbero non essere adatte a compiti che richiedono frequenti inversioni rapide o rumori e vibrazioni minimi.

Parametri tecnici

tavolo tecnico catena sharp top

tavolo tecnico sharp top chain