Pignoni triplex con bloccaggio conico 16B-3 ISO standard per catene a rulli

Questo design utilizza un mozzo conico e un foro conico corrispondente, che consente di montare saldamente la ruota dentata sull’albero utilizzando boccole di bloccaggio coniche senza creare gioco.
Modello: pignone conico di tipo B 16B-3
Materiale: C45, acciaio inox, acciaio temprato, ecc.
Trattamento superficiale: Denti temprati, ossido nero, zincatura, elettroforesi, ecc.

Descrizione

Pignone conico con boccola di bloccaggiooffre un robusto accoppiamento meccanico per interferenza tra il mozzo della ruota dentata e l’albero, garantendo un collegamento forte e affidabile per una trasmissione di potenza fluida ed efficiente. Questo design riduce al minimo la perdita di energia e migliora l’efficienza complessiva del sistema.

Caratteristiche principali

  • Adattamento per interferenza meccanica:Collega saldamente il mozzo del pignone e l’albero per un’affidabilità superiore e uno slittamento ridotto.
  • Trasmissione di potenza efficiente:Funzionamento fluido con attrito e rumorosità ridotti, grazie alla precisa sagomatura dei denti.
  • Lunga durata:I materiali e il design resistenti prolungano la durata di pignoni e catene, riducendo al minimo i tempi di fermo e i costi di manutenzione.
  • Opzioni di materiale:
    • Acciaio C45:Bilanciamento tra resistenza ed economicità per applicazioni generiche.
    • Acciaio inossidabile:Eccellente resistenza alla corrosione, ideale per ambienti difficili.
    • Acciaio temprato:Trattato termicamente per migliorare la resistenza all’usura e la durata.
  • Manutenzione ridotta:Sono necessarie meno sostituzioni, riducendo i costi operativi complessivi.

Specifiche tecniche

  • N. ISO:16B-3 (1″ x 17,02 mm)
  • Passo:25,4 mm
  • Larghezza interna:17,02 mm
  • Diametro del rullo:15,88 mm
  • Larghezza dei denti:79,6 mm
  • Ba:2,5 mm (larghezza del raggio)
  • Rx:26,0 mm (raggio minimo del dente)

Vantaggi

  • Connessione forte e affidabile per sistemi ad alte prestazioni
  • Attrito e rumore ridotti per un funzionamento più fluido
  • Estensione della vita utile e riduzione dei costi di manutenzione
  • Opzioni di materiali versatili per adattarsi a vari ambienti

Scegliete la nostra ruota dentata conica di bloccaggio per una durata superiore, una trasmissione efficiente della potenza e una manutenzione ridotta nelle applicazioni più impegnative.

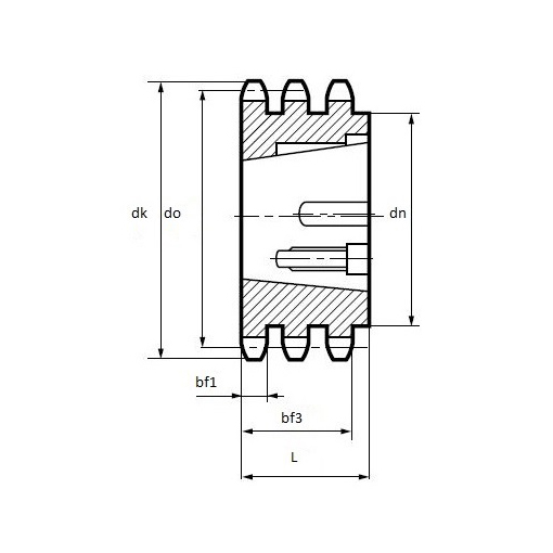
Parametri tecnici

pignoni triplex conici 16B-3 tabella tecnica

pignoni triplex conici 16B-3 tabella tecnica